BOM(部品表)は世代交代とともに精緻化している
- 設計部品表(E-BOM)の階層について
最初に、前回記事「BOM(部品表)、その第1世代~第2.5世代の変遷を知る」 について補足しておきたい。記事では、第1世代の設計部品表(E-BOM = Engineering Bill of Material)には、階層構造がなく、製品と構成部品の数量関係(員数)があるだけだ、と書いた。
しかし、「それはちょっとおかしい。ウチの会社のE-BOMには、ちゃんと階層構造があるぞ」という、疑問を抱かれた読者も、おられたに違いない。E-BOM=サマリー型、M-BOM=ストラクチャー型、という区別は本当なのか?と。その点について説明しておきたい。
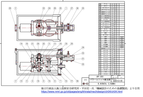
元々、BOM=部品表の概念は、機械組立加工系の分野から発達した。機械設計の分野では、製品組立図という図面を作る。製品全体の構造を図示し、それを構成している各部品について、引き出し線と番号をつける(――①、つまり細い糸の先に○がついてる形なので、俗に「風船」と呼ばれる)。
そしてふつうは図の端に、表がついている。その表は、引き出し線の番号①②…と、それぞれの部品名称・番号、そして数量が記載された表だ。これが、設計部品表の原型なのだ。そして世の中には、この部品表だけで業務を回している会社も、まだ少しは残っているはずだ。
機械組立図の例
- アッセンブリーという名の部品
ところで、複雑な機械製品になると、それを構成するモノの中に、「アッセンブリー」を持つ場合がある。アッセンブリーとは、複数の部品を組合せて作る、一種の大型部品だと思えば良い。長いので、しばしば「アッシー」などと略して呼ばれる。
たとえばモーター駆動のポンプを考えた場合、そのモーターを外から買ってくる場合は、一つの購入部品扱いだ。だがもし電動モーターも内製するとなると、その内部構造も設計しなければならない。この場合、電動モーターがアッセンブリー扱いになる。そして設計部門は、モーターの組立図を作成することになる。そこにはまた風船が飛んでいて、図の右端に部品構成表がつくだろう。つまり、製品のE-BOMの下に、アッセンブリーのE-BOMがつき、一種の階層構造になる訳だ。
そして時には、アッセンブリーの下に、「サブ・アッセンブリー」を持つ場合だってある。そうなると、
製品 > アッセンブリー > サブアッセンブリー > 部品、
という風に、E-BOMは4階層になる。もっと階層が増えるケースだってあり得るだろう。これが、E-BOMにも階層が現れる理由である。
- E-BOMの階層は、どこまでをカバーするか
ただし機械設計部門の仕事は、組立図で終わる訳ではない。それを構成する機械部品全てについて、それぞれの部品図を作成する。この際に、部品図は「一品一葉」で作成するのが、由緒正しいお作法とされている。つまり個別の部品に対して、1枚ずつ部品図を作成するのである。隣接していても、別々に図面化する。なので、古くからある企業では、しばしば「部品番号」を取る代わりに、「図面番号」で代用してきたところも多い。
当然ながら、個別の部品は、図面に表す幾何的形状のみならず、材質や表面処理・仕上げなどの仕様についても、規定する。ただ、一般的に、製品設計部門の仕事は、そこまでだ。
その部品を、どのような素材から、どう切り出し、素形材をどんな工作機械を使って加工するか、どんな熱処理や表面処理、塗装を行うか、などといった製造技術に関する部分は、通常、生産技術部門の仕事になる。そこではしばしば、切断→加工→熱処理→表面処理、といった工程が並んでいく。これらを総称して『加工工程』と呼び、できあがった部品たちをくみ上げていく『組立工程』と区別する。
つまり機械製造は一般に、『加工工程』→『組立工程』という大きなステップから成り立っているのである。このうち、製品設計部門の部品図や組立図がカバーするのは、後半の『組立工程』だけだ。であるから、設計図やCADデータをベースとした、通常のE-BOMのカバー範囲は、『組立工程』に限られることになる。でも、製造工程の全体像を示す、本来の第2世代・製造部品表M-BOM(= Manufacturing Bill of Matrial)は、『加工工程』も表現していなければならないのである。
M-BOMの全体像と、階層構造を持つE-BOMのカバー範囲
- MRP IIの発達に伴い、第3世代のBOMへ
さて前回記事では、第2世代のM-BOMの 親子関係を規定するのは「工程」であり、そこに「標準リードタイム」を追加したものが、第2.5世代である、と解説した。標準リードタイムを追加したのは、日程展開計算を可能にすることによって、生産計画立案に活かしたいからであった。 この考え方をベースに確立したのが、MRP = Material Requirement Planningという生産管理手法で、その成立には米国IBMが大きな貢献を果たした。
80年代に入ると米国では、このMRPの手法をさらに発展させ、資材所要量だけでなく、製造に関わるすべての経営資源の所要量を計算しようと言う方向に機能拡充させた。製造に関わる経営資源とは、 機械設備であり、人員であり、金型・ツール類であり、そして資金であった。
これらの所要量をきちんと計算するためには、部品表の親子関係に1つの工程が定義されているだけでは足りない。 一口に加工工程や組立工程といっても、部品は複数の機械を渡り歩き、それぞれは異なるオペレーターによって操作される。したがって、粒度を1つ上げて、工程を複数の「作業」からなる『工順』(Routing)として認識する必要が出てくる。 各作業には、それぞれ必要とする機械設備・人員・金型・ツールなどが定義される。
このようにして生まれたのが、第3世代のBOMである。図は、ある親部品と、それを構成する子部品のペアとの関係を示しているだけだが、相当精緻かつ複雑になっていることがわかると思う。
第3世代のBOMの概念
ともあれ、ここまで表現することができれば、各種製造資源の所要量計算が可能になる。こうして、単なる部品の所要量計算が主機能だったMRP = Material Requirement Planningは、80年代に入ると、MRP II = Manufacturing Resource Planningへと進化した。頭文字は同じMRPだが、単語が入れ替わっている点に注意してほしい。
そして90年代に入ると、あるドイツの基幹業務パッケージ・ソフトウェアのベンダーが、 製造だけでなく、企業全ての経営資源の所要量を、経営者がコントロールするツールの概念を提唱した。そして、それをERP = Enterprize Resource Planningと名付ける。その企業の名前は、SAP社。これがERPの誕生なのだが、その源流を遡ると、BOM/部品表にたどり着くと言うことを理解している人は、決して多くない。
<関連エントリ>
「BOM(部品表)、その第1世代~第2.5世代の変遷を知る」 https://mgt-technology.info/32520484/ (2024/6/26)


